과목명 : 논리회로 실습(Logic circuit practice)
수업일자 : 2022년 10월 18일 (화)
1. 디코더(Decoder)
1-1. 정의와 특징




1-2. Enable이 있는 2 x 4 NAND 디코더
- Enable이 0일 때 동작하고 출력도 Active-low일 때 동작하도록 NAND 회로로 설계한 디코더입니다.
- 74139에는 2 x 4 디코더 2개가 들어있습니다.



1-3. 3 x 8 디코더
- 입력 3개와 출력 8개로 구성된 디코더입니다.
- 입력에 따라 출력 8개 중 하나가 결정됩니다.
- G1은 Active-high, G2(G2A, G2B)는 Active-low
- 74138는 G1 = '1', G2A, G2B = '0'일 때 디코더가 동작합니다.
- G1 = '0' 또는 G2 = '1'인 경우에는 출력이 모두 1입니다.(디코더가 동작하지 않음)
- G1 = 1, G2A = G2B = 0일 때 입력 A, B, C에 따라서 출력 8개 중 하나가 '0'으로 선택됩니다.


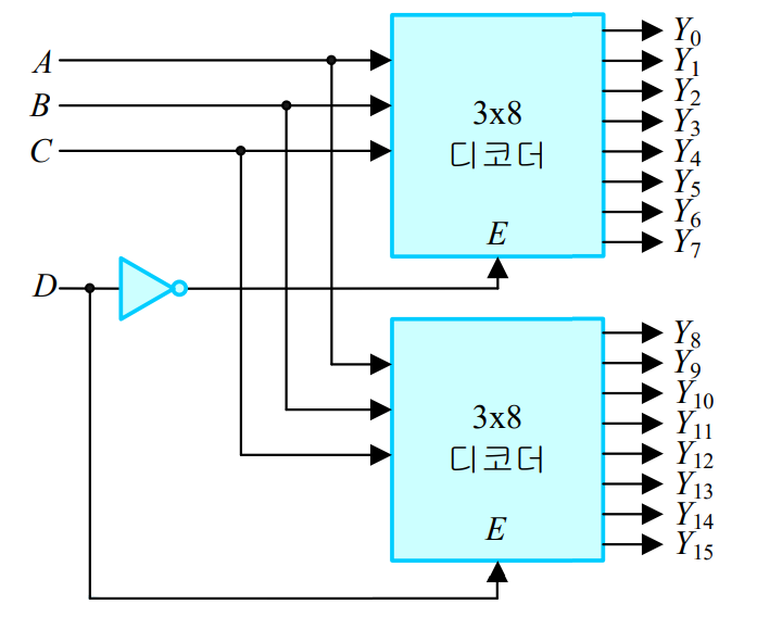
1-4. 3 x 8 디코더를 이용한 4 x 16 디코더 구성
- Enable 입력을 통해 3 x 8 디코더 2개를 이용하여 4 x 16 디코더를 구성할 수 있습니다.

1-5. BCD 10진 디코더




1-6. BCD x 7 세그먼트(Segment) 디코더
- 7-Segment는 숫자를 표시하기 위해 LED 7개로 구성되어 있습니다.
- 7-Segment의 LED는 맨 위에서부터 시계 방향으로 알파벳 a부터 f까지 순서대로 이름을 붙였고 안쪽 LED는 맨 마지막인 g입니다.
- 추가적으로 소수점도 표시할 수 있도록 하고 있습니다.
- 위와 같이 7-Segment를 구동하기 위해 디코더로 IC 7447을 많이 사용합니다.




2. 인코더(Encoder)
2-1. 정의와 특징

- 아래는 4 x 2 인코더에 대한 내용입니다.



2-2. 8 x 3 인코더
- 8개의 입력 중 신호가 있는 단자의 위치를 2진수 부호로 출력하는 인코더입니다.



2-3. Priority 인코더(우선순위가 존재하는 인코더)
- 우선순위 인코더는 입력이 여러 개일 때, 우선순위를 정하여 우선순위가 높은 입력값에 해당하는 출력 신호를 생성하는 인코더입니다.
- 우선순위 기능을 포함하는 인코더이며 동시에 2개 이상의 입력이 1일 때 가장 높은 우선순위를 가진 입력을 처리하게 됩니다.


2-4. 74148 : 8 x 3 우선순위 인코더
- GS는 출력의 유효성을 표시하며, 데이터의 입력 중 하나가 0이고, 인에이블 입력 EI가 0일 때만 0이 됩니다.


- 학부에서 수강했던 전공 수업 내용을 정리하는 포스팅입니다.
- 내용 중에서 오타 또는 잘못된 내용이 있을 시 지적해 주시기 바랍니다.
'전공 수업 > 논리회로 실습' 카테고리의 다른 글
| [11주 차] - 코드 변환기(그레이 코드, BCD 코드, 3초과 코드, 2421 코드) (0) | 2022.11.09 |
|---|---|
| [10주 차] - 멀티플렉서와 디멀티플렉서(Multiplexer and Demultiplexer) (4) | 2022.11.06 |
| [7주 차] - 가산기와 감산기(Adder and Subtractor) (0) | 2022.10.12 |
| [6주 차] - XOR, XNOR 게이트, 논리 함수 간소화 (2) | 2022.10.05 |
| [5주 차] - 부울 대수(Boolean Algebra), 드모르간의 법칙(De Morgan's Law) (0) | 2022.09.29 |
댓글