과목명 : 논리회로 실습(Logic circuit practice)
수업일자 : 2022년 11월 22일 (화)
1. 비동기식 카운터(Asynchronous counter)
1-1. 정의
- 비동기식 카운터는 첫 번째 플립플롭의 CP(Clock Pulse) 입력에만 클럭 펄스가 인가되고 다른 플립플롭은 자신의 플립플롭의 클럭 펄스를 이전 플립플롭의 출력으로 하는 카운터로, 리플 카운터(Ripple counter)라고 합니다.
- JK / T / D 플립플롭 모두 사용 가능합니다.
- 카운터는 또 다른 의미로 특정 순서에서 특정 동작을 수행시키는 목적을 가지고 있습니다.
1-2. 4비트 2진(16진) 비동기식 상향 카운터 (Falling edge에서 동작)
- 2진 상향 카운터라고도 부릅니다.




1-3. 4비트 2진(16진) 비동기식 하향 카운터(Rising edge에서 동작)
- 2진 하향 카운터라고 부릅니다.




- 여기서 주의할 점은 모두 첫 번째 플립플롭의 CP 입력에만 클럭 펄스가 인가된다는 점이며. 각각 이전 플립플롭들의 출력을 해당 플립플롭의 클럭 펄스 입력 값으로 사용하며 플립플롭의 클럭 펄스 입력의 부호에 따라 상승 에지, 하강 에지의 여부가 결정됩니다.
2. Modulo - M 카운터
2-1. 비동기식 N진 카운터 설계 시 필요한 플립플롭의 개수 계산하기
- 4진, 8진, 16진 등 카운터는 플립플롭 2개, 3개, 4개(2의 자연수 제곱만큼)를 종속으로 연결하여 구성할 수 있습니다.
- 단, 3진, 5진, 6진, 11진 등 비동기식 카운터의 구성 방법은 아래와 같습니다.

2-2. 비동기식 3진 카운터
- 0~2까지 반복하는 비동기식 3진 카운터를 설계하는 방법은 다음과 같습니다.
- 위의 F/F 계산식에 따라 필요한 플립플롭의 개수는 총 2개를 종속으로 연결하여 0~2까지 반복하는 비동기식 카운터 설계가 가능하며 한 사이클인 0~2까지만 카운트되도록 하고 최종 카운트 수를 초과하는 기점의 클럭에서 다시 0부터 카운트할 수 있도록 설계합니다.
- 추가 예시
11진 카운터 설계 → 0~10까지 카운트 가능 → 10까지 카운트된 후 이후 펄스 신호부터 0이 카운트되어 해당 사이클이 반복되는 순차회로가 구성됩니다.


2-3. 비동기식 10진 카운터
- 카운터 계수가 0부터 9까지 카운트되는 비동기식 10진 카운터입니다.


2-4. 비동기식 순차 회로를 잘 사용하지 않는 이유 : 돌발 펄스(Gitch)의 발생
- 비동기식 N진 카운터의 경우 0부터 N - 1까지 카운트를 하는 순차 회로이며, N -1까지 카운트된 후에 이후 클록 펄스부터 모든 플립플롭이 CLR 단자, NAND 게이트에 연결됨에 따라 초기 카운트 수인 0부터 다시 카운트하게 됩니다. 그러나 해당 과정에서 순간적으로 돌발 펄스(Gitch)가 발생하게 되는데 이러한 돌발 펄스로 인해 디지털 시스템의 오류를 야기할 수 있게 됩니다.
- 디지털 시계와 같은 느린 시스템 속도를 요구하는 디지털 회로의 경우에선 크게 문제가 되지 않으나 빠른 시스템의 속도를 요구하는 높은 성능을 가진 시스템에서 이러한 돌발 펄스는 시스템 오동작의 주요 원인이 되며 설계 과정에서 중요하게 해결되어야 할 문제입니다.
- 이러한 문제로 설계 시, 비동기 카운터는 잘 사용되지 않으며 동기식 카운터가 주로 사용됩니다.
3. Simulation
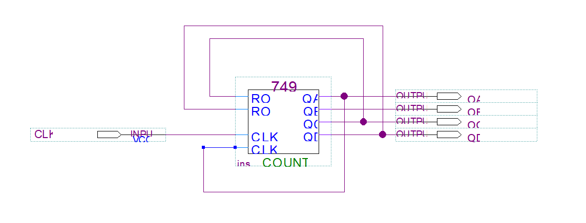
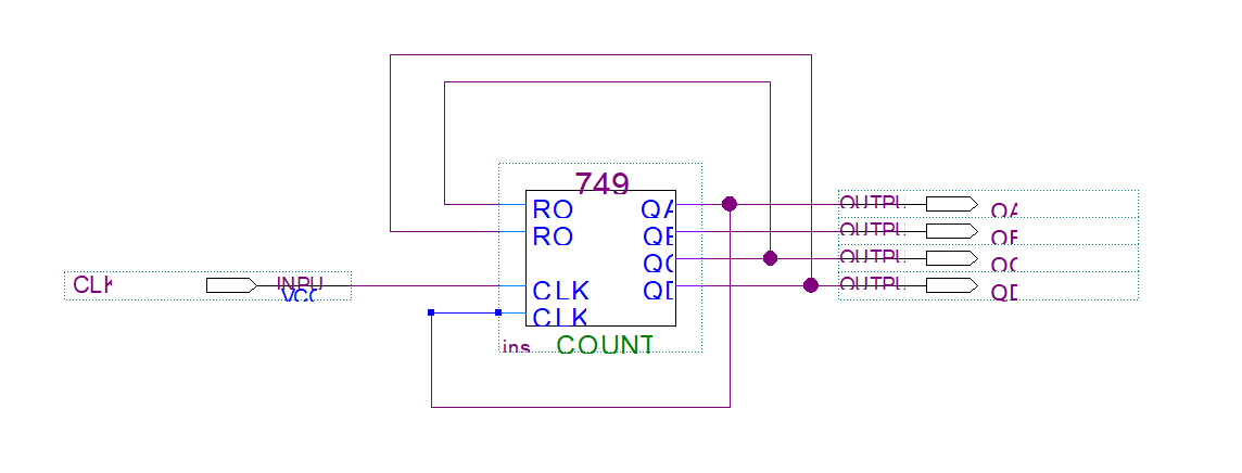
3-1. 7493 회로를 이용한 12진 카운터 설계

(1) Kit 실습 시 Push button을 누를 때 발생할 수 있는 " Chattering 현상 "
■ Chattering 현상
- 스위치의 상태가 변하는 순간(0→1 또는 1→0) 스위치의 열림과 닫힘이 수 회 반복되는 잡음 현상을 의미하며 스위치의 상태가 변화하는 순간, 평균 100~200ms 구간에서 발생할 수 있습니다.

(2) 회로 설계

(3) 회로 Simulation

(4) 상태표 작성

3-2. 7490 회로를 이용한 10진 카운터 설계

(1) 회로 설계

(2) 회로 Simulation

(3) 상태표 작성

- 학부에서 수강했던 전공 수업 내용을 정리하는 포스팅입니다.
- 내용 중에서 오타 또는 잘못된 내용이 있을 시 지적해 주시기 바랍니다.
'전공 수업 > 논리회로 실습' 카테고리의 다른 글
| [15주 차] - 레지스터(Register), 스톱워치 회로 설계 (0) | 2022.12.11 |
|---|---|
| [14주 차] - 동기식 카운터(Synchronous counter) (0) | 2022.12.11 |
| [12주 차] - 래치와 플립플롭 (Latch and Flipflop) (2) | 2022.11.16 |
| [11주 차] - 코드 변환기(그레이 코드, BCD 코드, 3초과 코드, 2421 코드) (0) | 2022.11.09 |
| [10주 차] - 멀티플렉서와 디멀티플렉서(Multiplexer and Demultiplexer) (4) | 2022.11.06 |
댓글