과목명 : 논리회로 실습(Logic circuit practice)
수업일자 : 2022년 12월 06일 (화)
1. 레지스터(Register)
1-1. 레지스터의 정의
- 프로세서 내부에 위치한 용량이 매우 작은 고속 메모리로 매우 제한된 소량의 데이터나 처리 중인 데이터에 중간 결과 값을 미리 프로세서가 사용할 수 있도록 저장해놓는 기억장치이며 메모리 계층 구조에서 최상위 기억장치로 구분됩니다.
- 논리 회로적인 측면에선, 일련의 플립플롭들이 인가되는 클럭을 공유하도록 설계되어진 n비트 저장 장소를 나타내기도 합니다.
1-2. 레지스터의 추가적인 기능
- 레지스터는 데이터를 임시로 빠르게 저장하여 작업 시 바로 사용할 수 있도록 하는 기본적인 기능을 제공하지만, 수 데이터(16진수 또는 2진수)를 처리할 때 시프트(Shift) 기능은 간단한 연산을 바로 처리할 수 있는 기능을 제공하기도 합니다.
- Example)
C에서 증감 연산자(Increment and decrement operator)를 사용하는 경우 증감 연산자를 사용하는 변수에 대해선 직접 변수가 위치하는 메모리 주소까지 가지 않고 레지스터에서 증감 연산을 바로 처리합니다.
// 증감 연산자 사용 : number1 변수의 값을 1 증가시킨다.
int number1 = 10;
number++;
printf("number1 = %d\n", number); // number1 = 11
1-3. 레지스터의 여러 가지 기능

1-4. 직렬 입력 - 직렬 출력 형태의 시프트(Shift) 레지스터


1-5. 직렬 입력 - 병렬 출력의 시프트(Shift) 레지스터(74164 회로)


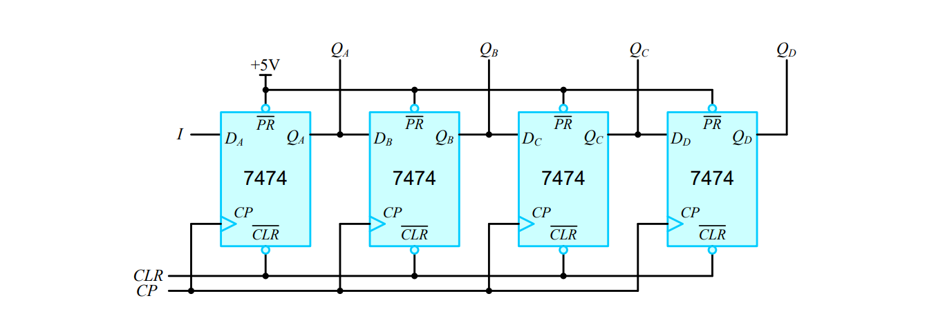
1-6. 74194를 이용한 양방향 시프트(Shift) 레지스터
- 74194를 이용한 양방향 시프트 레지스터는 모드 선택에 따라 시프트의 방향 결정, 또는 병렬 데이터를 입력하는 여러 가지 기능을 처리하는 레지스터입니다.



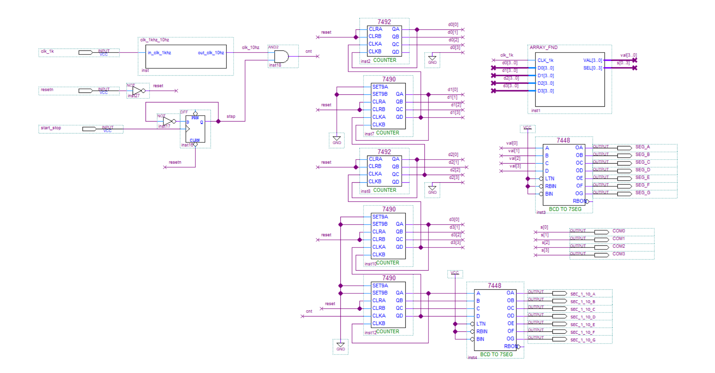
2 . 스톱워치 회로 설계 Simulation
2-1. 회로 구성

2-2. 회로 분석

(1) 1/10초(Seconds) 부분 → FND 1
(2) 분(Minute) / 초(Seconds) 부분 → Array FND
(3) START / STOP 버튼 → Push Button 사용
(4) Simulation setting
- SEC_1_10 (A~G)
→ Simulation value name : FND1
- SEG_A ~ SEG_G
→ Simulation value name : DFND
- COM1 ~ COM3
→ Simulation value name : c
- 학부에서 수강했던 전공 수업 내용을 정리하는 포스팅입니다.
- 내용 중에서 오타 또는 잘못된 내용이 있을 시 지적해 주시기 바랍니다.
'전공 수업 > 논리회로 실습' 카테고리의 다른 글
| [14주 차] - 동기식 카운터(Synchronous counter) (0) | 2022.12.11 |
|---|---|
| [13주 차] - 비동기식 카운터(Asynchronous counter) (0) | 2022.11.23 |
| [12주 차] - 래치와 플립플롭 (Latch and Flipflop) (2) | 2022.11.16 |
| [11주 차] - 코드 변환기(그레이 코드, BCD 코드, 3초과 코드, 2421 코드) (0) | 2022.11.09 |
| [10주 차] - 멀티플렉서와 디멀티플렉서(Multiplexer and Demultiplexer) (4) | 2022.11.06 |
댓글