과목명 : 논리회로 실습(Logic circuit practice)
수업일자 : 2022년 11월 29일 (화)
1. 동기식 카운터(Synchronous counter)
1-1. 정의
- 비동기식 카운터와 달리 동기식 카운터는 모든 플립 플롭에 동시에 클록 펄스가 인가되는 특성을 가지는 카운터로, 모든 플립 플롭의 상태가 같은 시점에 변화합니다.
- 이에 따라 현재 상태에서 다음 상태를 요구하는 입력이 필요한데 이를 여기표(Excitation table, State excitation table)라고 합니다.
1-2. 여기표(Excitation table)
(1) 특성표(Characteristic table)
- 현재 상태와 입력 값이 주어졌을 때 다음 상태의 변화를 나타낸 표입니다.
(2) 여기표(Excitation table)
- 현재 상태에서 다음 상태로 변할 때, 플립 플롭의 입력 조건 상태를 나타낸 표이며 즉, 다음 상태로 변화시키기 위한 플립 플롭의 입력값을 말합니다.
- 정해진 순서대로 플립 플롭의 상태를 변화시키기 위해 설계하려는 카운터의 순서를 나열하고 이에 대한 현재 상태, 다음 상태의 표시, 해당 변화에 맞는 여기표를 적용시킵니다.
1-3. SR 플립플롭의 여기표(Excitation table of SR Flip-Flop)

1-4. JK 플립플롭의 여기표(Excitation table of JK Flip-Flop)

1-5. D 플립플롭의 여기표(Excitation table of D Flip-Flop)

1-6. T 플립플롭의 여기표(Excitation table of T Flip-Flop)

2. 동기식 카운터를 포함한 순서 논리회로의 설계 과정
2-1. 설계 과정
(1) 상태표 또는 상태도
(2) 차기 상태표
(3) 플립플롭 입력표(여기표 작성)
(4) 입력 제어식
(5) 논리 회로 설계
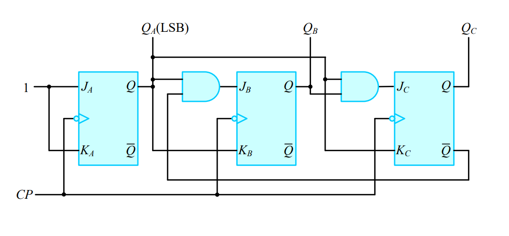
2-2. 3비트 2진 상향 카운터(JK 플립플롭 이용)




2-3. 동기식 6진 카운터
- 0~5까지 카운트하며 6, 7은 카운트되지 않습니다.
- 3개의 플립플롭을 필요로 합니다.
- 6, 7 상태에 대해선 카운트되지 않으므로 해당 상태에 대한 플립플롭의 입력값, 차기 상태는 Don't care로 처리합니다.




3. 여러 가지 동기식 카운터
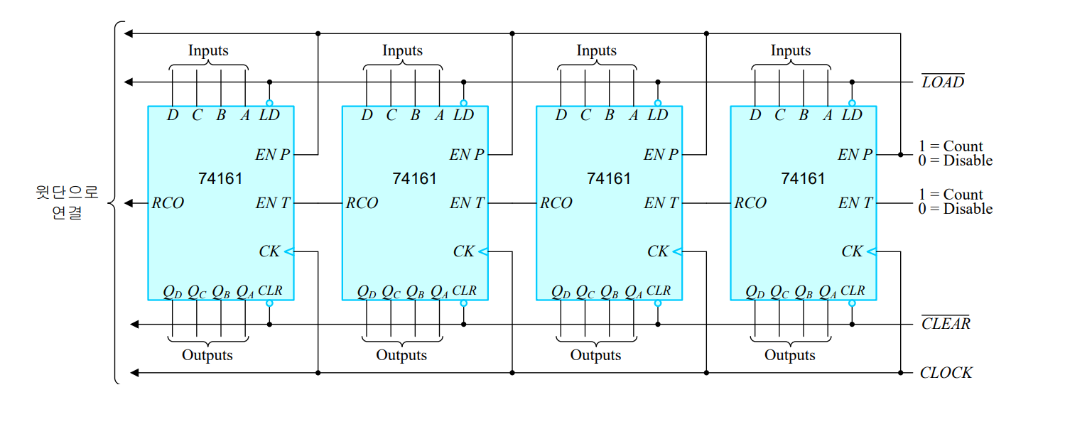
3-1. IC 형태로 사용되는 여러 가지 카운터
- BCD(0~9) 또는 2진수 4비트(0~F) 카운터이며 RESET/PRESET 기능을 보유하고 있습니다.
| IC 번호 / 리셋 방식 | 동기식 리셋 | 비동기식 리셋 |
| 74160 (BCD) | O | |
| 74161 (Binary) | O | |
| 74162 (BCD) | O | |
| 74163 (Binary) | O |
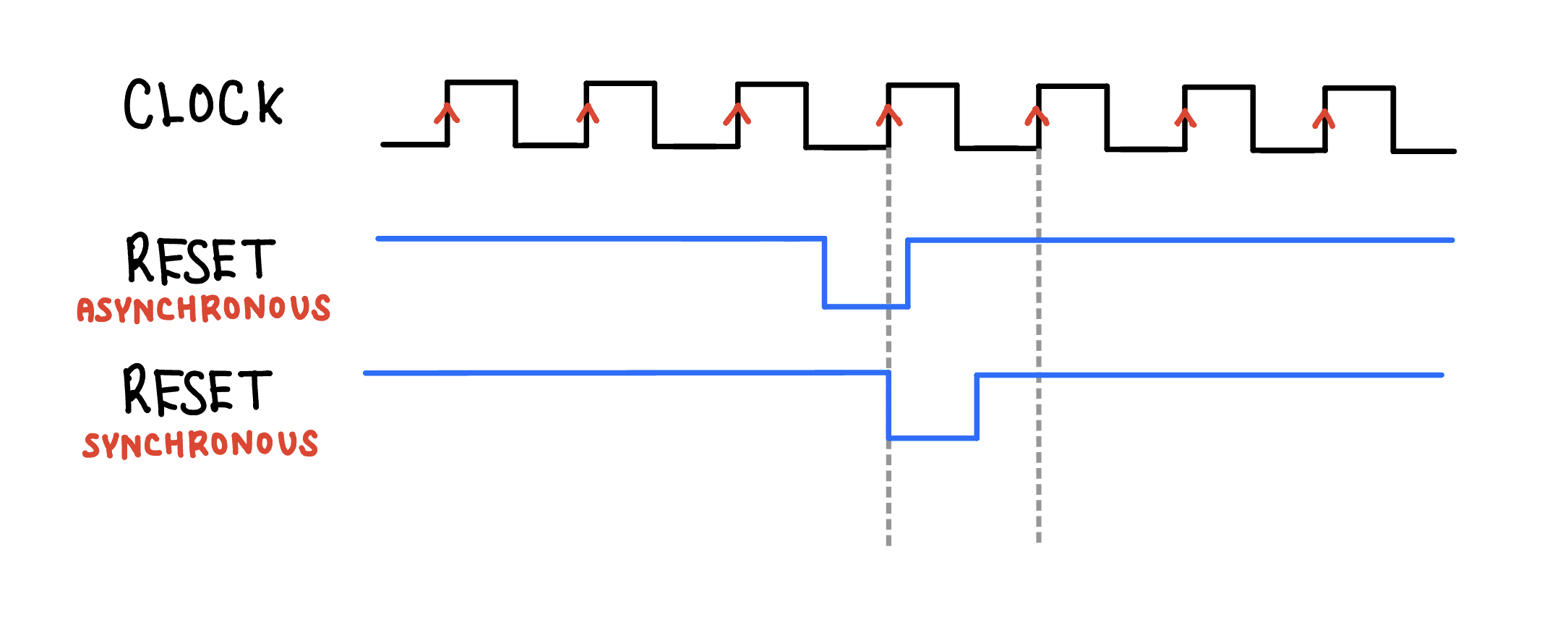
3-2. 동기식 리셋, 비동기식 리셋의 동작 차이점

(1) 동기식 리셋(Synchronous reset)
- 리셋 동작이 동기식으로 동작, 즉 인가되는 클럭 신호에 맞추어 동작하는 리셋 방식입니다.
(2) 비동기식 리셋(Asynchronous reset)
- 리셋 동작이 비동기식으로 동작, 즉 인가되는 클럭 신호와는 무관하게 동작하는 리셋 방식입니다.
3-3. 74161 (동기식 4비트 카운터)
- 상승 에지 트리거일 때 동작하며 비동기식 입력의 PRESET, 동기식 입력의 RESET이 존재합니다.
- enable P = enable T = 1일 때 카운터의 형태로 동작합니다.
- RCO(Ripple Carry Out)는 상위 카운터를 트리거하는 신호로 마지막 카운트를 표시하는 역할을 하며 카운터를 확장할 때 RCO 단자를 이용하게 됩니다.


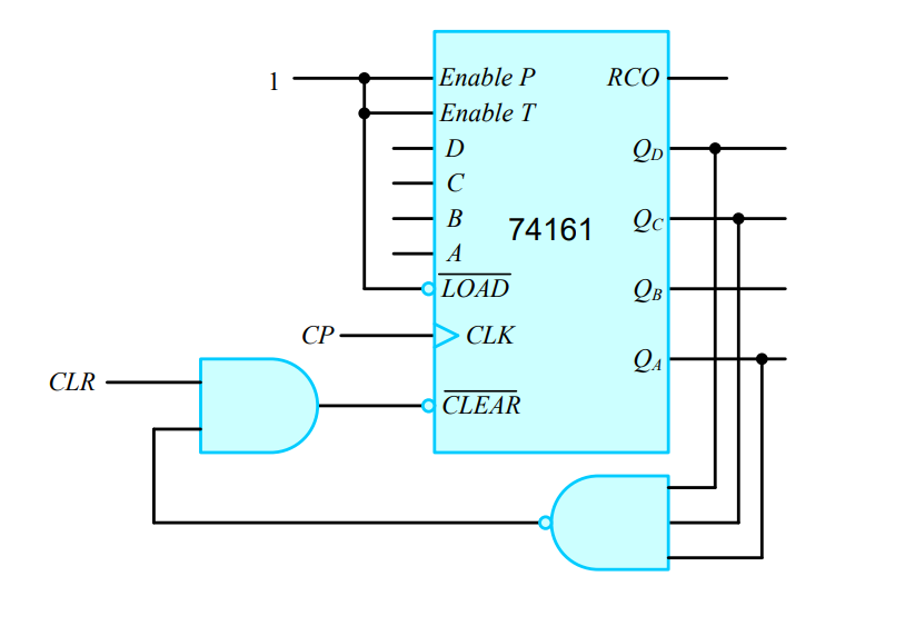
3-4. 74161 회로를 이용한 MOD-13 카운터
- 0~12까지 카운트하는 동기식 카운터로 13(1101)이 되는 순간 0으로 Clear하여 설계할 수 있습니다.
- 13(1101)이 되는 순간 CLEAR 입력을 0으로 만들도록 실제 CLEAR 신호와 AND 처리를 하여 설계합니다.

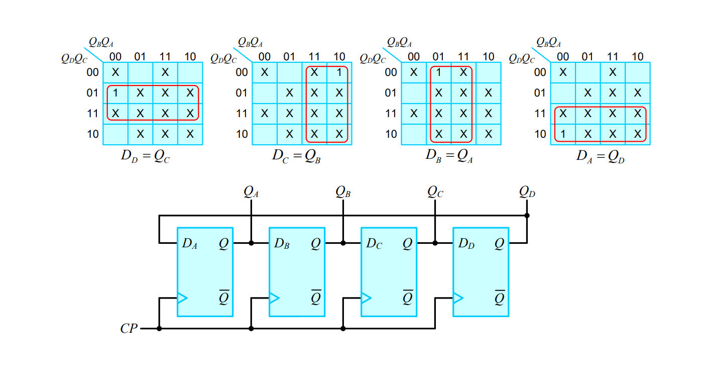
3-5. D 플립플롭을 이용한 4비트 링 카운터, 존슨 카운터 설계
(1) 4비트 링 카운터
- 링 카운터의 경우 한 비트 1이 옆 단의 비트로 순차적으로 시프트되는 순차 회로입니다.
- 4비트임에 따라 4가지 상태만 존재하므로 나머지 항은 모두 무관항으로 처리합니다.



(2) 4비트 존슨 카운터
- 존슨 카운터의 경우 각 비트마다 1이 하나씩 채워지다가 1이 모두 채워지면 다시 0으로 채워나가는 회로이며 4비트 기준으로 8개의 상태만 존재하므로 나머지는 모두 무관항으로 처리합니다.
- 존슨 카운터의 경우 마지막 비트가 출력부분으로 연결되는 회로로 구성됩니다.

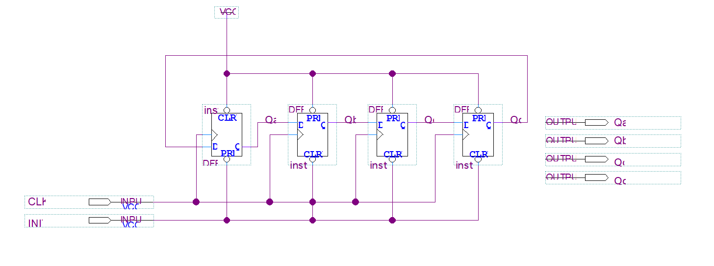
4. Simulation
4-1. 4비트 링 카운터 설계하기(7474 회로 이용)

(1) 회로 설계

(2) Simulation

(3) 출력 상태 기록

- 학부에서 수강했던 전공 수업 내용을 정리하는 포스팅입니다.
- 내용 중에서 오타 또는 잘못된 내용이 있을 시 지적해 주시기 바랍니다.
'전공 수업 > 논리회로 실습' 카테고리의 다른 글
| [15주 차] - 레지스터(Register), 스톱워치 회로 설계 (0) | 2022.12.11 |
|---|---|
| [13주 차] - 비동기식 카운터(Asynchronous counter) (0) | 2022.11.23 |
| [12주 차] - 래치와 플립플롭 (Latch and Flipflop) (2) | 2022.11.16 |
| [11주 차] - 코드 변환기(그레이 코드, BCD 코드, 3초과 코드, 2421 코드) (0) | 2022.11.09 |
| [10주 차] - 멀티플렉서와 디멀티플렉서(Multiplexer and Demultiplexer) (4) | 2022.11.06 |
댓글